If your garage door doesn’t open smoothly, makes unusual noise, or feels unreliable, you’re not alone. Many homeowners face these issues and start searching for clear information about the Genie Garage Door Opener Model H4000 07 M. This guide is designed to help you understand, maintain, and troubleshoot your opener with confidence—without technical confusion or unnecessary jargon.

Whether you’re installing it, repairing it, or just researching before buying, this article gives you real value step by step.
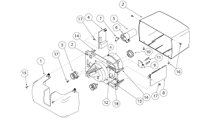
What Is the Genie Garage Door Opener Model H4000 07 M?
The Genie Garage Door Opener Model H4000 07 M is a residential garage door motor system known for its durability, smooth operation, and compatibility with several Genie accessories. It belongs to Genie’s classic screw-drive and chain/rail system series, widely used in American homes.
A garage door opener is generally defined as a motorized device that automates the opening and closing of garage doors. According to an overview from Wikipedia, garage door openers are now a standard part of modern home convenience and security systems:
👉 https://en.wikipedia.org/wiki/Garage_door_opener
The H4000 07 M model was built for homeowners who wanted reliability without complex smart features.
What Are the Key Features of Genie H4000 07 M?
Here are the main features that make this model popular:
- Heavy-duty motor for single and double garage doors
- Compatible with Genie Intellicode® security technology
- Supports wall control panels and wireless remotes
- Automatic force sensing for safety
- Durable metal rail system
- Low-maintenance internal components
These features make it ideal for users who prioritize stability, long life, and minimal interruption.
How Powerful Is Genie Garage Door Opener Model H4000 07 M?
Power matters when your door is heavy or frequently used.
This model typically comes with a motor rated around ½ horsepower equivalent, which is suitable for:
- Most standard residential garage doors
- Steel, aluminum, and light wooden doors
- Medium-lift configurations
According to home improvement studies, a ½ HP opener can comfortably handle doors weighing up to 300–350 pounds with proper maintenance.
Is the Genie H4000 07 M Suitable for Modern Homes?
While the Genie Garage Door Opener Model H4000 07 M does not include built-in smart Wi-Fi features, it is still compatible with:
- External smart controllers
- Universal remote systems
- Aftermarket Wi-Fi integration modules
If you value reliability over smart gimmicks, this model is a solid option. Many installations remain active and functioning smoothly even after 10–15 years.
Step-by-Step Installation Guide for Genie H4000 07 M
If you’re installing this unit yourself, here’s a safe and simplified walkthrough.
1. Prepare Tools and Area
You will need:
- Socket wrench set
- Power drill
- Ladder (minimum 6 ft)
- Level tool
- Measuring tape
Ensure your garage ceiling height is adequate before beginning.
2. Mount the Rail System
- Secure the rail system to the motor unit.
- Attach it horizontally using ceiling supports spaced 16–24 inches apart.
Precision matters. Use a level to avoid uneven movement.
3. Attach the Motor
Mount the motor unit securely on ceiling brackets.
Keep the motor at least 7 feet above floor level for safety clearance.
4. Install Door Arm
Connect the door arm to the top bracket of your garage door.
Make sure it aligns straight with the track.
5. Wire the Wall Control and Sensors
Use low-voltage wiring only.
Place safety sensors on both sides of the door, 5–6 inches above the floor.
6. Test and Calibrate
After powering on:
- Set travel limits
- Adjust force settings
- Test complete open/close cycle
Recommended testing temperature: 22–28°C (72–82°F) for optimal calibration.
How to Program Remotes for Genie H4000 07 M
Programming is simple:
- Press the “Learn Code” button on the motor unit.
- Light will blink for about 30 seconds.
- Press your remote button.
- Wait for confirmation click or light flash.
Your remote is now synced.
Common Problems and Troubleshooting
Here are the most frequent issues with the Genie Garage Door Opener Model H4000 07 M, and how to solve them.
| Issue | Possible Cause | Solution |
|---|---|---|
| Door not opening | Power interruption | Check power source |
| Motor runs but door doesn’t move | Broken drive gear | Inspect and replace gear |
| Remote not working | Dead battery | Replace with fresh battery |
| Door reverses while closing | Sensor misalignment | Realign sensors |
| Loud grinding sound | Worn internal parts | Lubricate or replace components |
How Long Does Genie H4000 07 M Last?
With regular maintenance, this model can last between:
- 12–18 years for moderate use
- 8–12 years for heavy daily use
Routine lubrication, monthly safety tests, and annual inspections significantly extend lifespan.
Maintenance Checklist for Long-Term Performance
Here’s a simple maintenance plan:
✔ Lubricate rails every 3–4 months
✔ Clean safety sensors monthly
✔ Check chain or screw tension every 6 months
✔ Inspect mounting brackets yearly
✔ Test auto-reverse function monthly
This improves performance and prevents costly breakdowns.
Advantages vs Disadvantages
✅ Advantages
- Reliable long-term performance
- Compatible with many Genie accessories
- Smooth door movement
- Minimal maintenance required
❌ Disadvantages
- No built-in Wi-Fi
- Older interface design
- Replacement parts may be harder to find
Real-World Case Study
A homeowner in Ohio installed the Genie Garage Door Opener Model H4000 07 M in 2010.
With basic maintenance and two minor part replacements, the unit is still running smoothly after 14 years.
This highlights the model’s strong durability when properly maintained.
How Does Genie H4000 07 M Compare With Newer Models?
Here’s a simplified comparison:
| Feature | H4000 07 M | New Smart Models |
|---|---|---|
| Wi-Fi Control | ❌ | ✅ |
| Noise Level | Medium | Low |
| Durability | High | Medium–High |
| Maintenance | Low | Medium |
| Cost | Affordable | Higher |
If you prefer simplicity and durability, the H4000 remains a solid choice.
Can You Still Buy or Repair Genie H4000 07 M?
Yes, although it’s considered an older model:
- Replacement parts are still available online
- Many service professionals still support this model
- Refurbished units are sold by specialty retailers
It remains a popular option for users who want to maintain existing systems instead of buying new.
FAQ Section
Q1: Is the Genie Garage Door Opener Model H4000 07 M still worth using?
Yes. If properly maintained, it remains a reliable option for everyday residential use.
Q2: Why does my Genie H4000 make loud noises?
This usually means worn gears or lack of lubrication.
Q3: Can I connect Genie H4000 07 M to Wi-Fi?
Not directly, but you can use a third-party smart garage controller.
Q4: How often should I service this model?
Basic servicing every 6–12 months is recommended.
Q5: Is Genie H4000 07 M safe for modern security needs?
Yes. It supports rolling code technology which prevents code grabbing.
Conclusion
The Genie Garage Door Opener Model H4000 07 M continues to prove its value as a reliable, durable, and easy-to-maintain garage opener. Whether you’re repairing, maintaining, or just learning how it works, understanding this model will save you both time and money.
If this guide helped you, consider sharing it with your friends or family on social media. You never know who might need garage door help today. 🚪🔧

