If your opener is from the mid-90s and starting to fail, you’re likely searching for Genie Garage Door Opener 1995 Screw Drive Parts. These older screw drive systems were built to last—but after nearly three decades, certain components naturally wear out.

The good news? Many parts are still available, and in many cases, repairing the unit is more affordable than full replacement. This guide explains what parts commonly fail, how to identify them, and whether repair still makes sense.
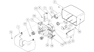
What Are Genie Garage Door Opener 1995 Screw Drive Parts?
The Genie Garage Door Opener 1995 Screw Drive Parts refer to replacement components designed for Genie screw drive openers manufactured around 1995.
Screw drive systems use a threaded steel rod (drive screw) to move the carriage along the rail. Unlike chain or belt systems, screw drives rely on direct mechanical rotation.
For background on screw drive openers and how they differ from other systems, see:
https://en.wikipedia.org/wiki/Garage_door_opener
Screw drive models were popular in the 1990s because they:
- Required fewer moving parts
- Offered strong lifting power
- Provided relatively simple mechanics
How Do Screw Drive Openers Work?
Instead of a chain or belt pulling the trolley, a long threaded rod rotates when the motor runs.
The carriage (also called the traveler) rides along this screw.
When the motor spins:
- Clockwise → Door opens
- Counterclockwise → Door closes
Fewer components mean fewer failure points—but lubrication and alignment are critical.
Most Common Genie 1995 Screw Drive Parts That Fail
After 20–30 years, these parts are most likely to need replacement:
1. Carriage Assembly (Traveler)
This plastic component connects the screw to the door arm.
Signs of failure:
- Grinding noise
- Door jerking during movement
- Visible plastic debris
This is one of the most frequently replaced parts.
2. Drive Screw (Threaded Rod)
Though durable, it may show:
- Excessive wear
- Rust buildup
- Bending
If the threads are worn smooth, the carriage won’t grip properly.
3. Limit Switch Assembly
Controls how far the door travels.
Symptoms:
- Door won’t close fully
- Door reverses unexpectedly
- Door stops halfway
4. Circuit Board
Electronics degrade over time.
Signs:
- Remote not responding
- Random operation
- Burn marks or corrosion
5. Safety Sensors
Federal regulations required safety sensors starting in the early 1990s.
If misaligned or damaged, the door won’t close.
Are 1995 Genie Screw Drive Parts Still Available?
Yes, but availability varies.
You can find:
- OEM replacement parts
- Aftermarket compatible components
- Refurbished assemblies
However, complete motor assemblies may be discontinued.
Before ordering, confirm:
- Model number
- Horsepower rating
- Rail length
Compatibility is critical.
Step-by-Step: How to Replace a Carriage Assembly
The carriage is the most common repair.
Tools Required:
- Adjustable wrench
- Ladder
- Screwdriver
- Safety gloves
Step 1: Disconnect Power
Unplug the opener.
Safety first.
Step 2: Release the Emergency Cord
Pull the red release handle to disengage the door.
Step 3: Remove Rail Cover
Access the screw drive and carriage.
Step 4: Remove Old Carriage
Unscrew mounting bolts.
Slide carriage off threaded rod.
Inspect screw threads for damage.
Step 5: Install New Carriage
Slide onto threaded rod.
Reconnect door arm.
Step 6: Lubricate Screw Drive
Use manufacturer-recommended lubricant.
Do not use grease unless specified.
Step 7: Restore Power and Test
Run full open and close cycles.
Listen for smooth operation.
Pros and Cons of Repairing a 1995 Screw Drive Opener
Pros
✔ Lower cost than replacement
✔ Durable metal components
✔ Strong lifting capability
✔ Simple mechanical design
Cons
✘ Limited modern safety features
✘ Louder than belt-drive models
✘ Replacement parts becoming harder to find
✘ Less secure than rolling-code systems
When Should You Replace Instead of Repair?
Consider replacement if:
- Motor is failing
- Circuit board is damaged
- Multiple components need replacement
- Unit lacks battery backup
- System is over 25 years old
Modern openers offer:
✔ Quieter operation
✔ Smartphone integration
✔ Rolling code security
✔ Energy efficiency
Sometimes upgrading is more cost-effective long term.
Maintenance Tips for Screw Drive Longevity
To extend life:
- Lubricate screw every 6 months
- Inspect carriage yearly
- Clean rail of debris
- Check mounting brackets
- Test safety sensors monthly
Proper lubrication significantly reduces wear.
Real-World Example
A homeowner with a 1995 Genie screw drive experienced grinding noises.
Diagnosis:
- Worn carriage assembly
- Dry screw drive
Repair:
- Replaced carriage ($35–$60 range)
- Lubricated screw
Result:
System operated smoothly for another 5 years.
Targeted repairs often extend lifespan significantly.
Cost Comparison: Repair vs Replace
| Option | Estimated Cost |
|---|---|
| Replace carriage | $40–$80 |
| Replace circuit board | $90–$150 |
| Full new opener | $250–$500 (plus installation) |
If repair exceeds 50% of replacement cost, upgrading may be smarter.
FAQ: Genie Garage Door Opener 1995 Screw Drive Parts
1. How do I find my Genie model number?
Look on the motor housing label or inside the light cover.
2. Can I still buy original Genie parts?
Some OEM parts are available, but many are aftermarket replacements.
3. Why is my screw drive noisy?
Usually due to lack of lubrication or worn carriage.
4. Is a 1995 Genie opener safe?
If safety sensors function properly, it remains safe—but lacks modern security features.
5. Can I convert screw drive to belt drive?
No. That would require full opener replacement.
6. How long do screw drive openers last?
With maintenance, 20–30 years is possible.
Conclusion
Finding Genie Garage Door Opener 1995 Screw Drive Parts is still possible—and often worth it if the motor remains strong. Replacing high-wear components like the carriage assembly can restore smooth operation at a fraction of the cost of a new opener.
However, if multiple systems are failing or modern security features are important to you, upgrading may be the better long-term investment.
If this guide helped you evaluate your repair options, share it with others who may still rely on older Genie screw drive systems.

