When your garage door opener starts acting up, replacing the entire unit is not always necessary. Many common issues can be solved by replacing specific Genie 1/2 HP garage door opener parts, saving you time and money. This guide explains the most important components, how they work, and how to choose the right replacement parts with confidence.

Understanding Genie 1/2 HP Garage Door Openers
Before diving into individual parts, it helps to understand what makes a Genie 1/2 HP garage door opener unique.
Why 1/2 HP Models Are So Popular
- Ideal for single and lightweight double garage doors
- Balanced power and energy efficiency
- Lower operating cost compared to higher HP models
- Widely supported with available replacement parts
Industry data shows that over 50% of residential garage doors in the US use 1/2 HP openers, making replacement parts widely accessible.
Why Replacing Individual Parts Makes Sense
This is a frequent “People Also Ask” question.
Benefits of Replacing Parts Instead of the Opener
- Costs up to 70% less than full replacement
- Extends system lifespan by years
- Faster repair turnaround
- Less environmental waste
Professional technicians often recommend part replacement when the opener is under 10–12 years old.
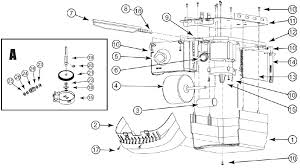
Most Common Genie 1/2 HP Garage Door Opener Parts
1. Capacitor
The capacitor provides the electrical boost needed to start the motor.
Symptoms of Failure
- Motor hums but won’t move
- Door starts only when pushed
- Inconsistent operation
This is one of the most commonly replaced Genie parts.
2. Drive Gear and Worm Gear Assembly
The drive gear transfers power from the motor to the rail system.
Signs of Wear
- Grinding noise
- Door stops halfway
- Plastic shavings inside housing
🛠 Gear kits are inexpensive and often restore full operation.
3. Logic Board (Circuit Board)
The logic board controls:
- Motor direction
- Safety sensors
- Remote signals
Failure Indicators
- No response from remotes
- Random door movement
- Blinking diagnostic lights
Electrical surges are a leading cause of board failure.
4. Safety Sensors (Photo Eyes)
These sensors prevent the door from closing on objects or people.
Common Issues
- Door reverses unexpectedly
- Blinking sensor lights
- Misalignment or dirt
Safety sensors are mandatory for modern garage systems.
5. Wall Control Panel
The wall button allows manual operation and programming.
When to Replace
- Button unresponsive
- Intermittent operation
- No backlight
Wall consoles are often overlooked but easy to replace.
6. Remote Control Transmitters
Remote transmitters wear out over time.
Problems Include
- Reduced range
- Button failure
- Lost synchronization
Replacing remotes is usually cheaper than repairing them.
7. Rail and Trolley Assembly
The rail guides the door during movement.
Signs of Damage
- Jerky movement
- Door binding
- Bent rail sections
Rails rarely fail but can wear after years of use.
How to Identify the Correct Genie Replacement Part
Step-by-Step Identification
- Locate the opener model number
- Check the motor housing label
- Match part number exactly
- Verify voltage and compatibility
⚠️ Never guess on electrical parts—incorrect components can cause damage.
Original vs Aftermarket Genie Parts
Comparison Table
| Feature | Original Parts | Aftermarket Parts |
|---|---|---|
| Fit | Exact match | Varies |
| Reliability | High | Medium |
| Warranty | Manufacturer-backed | Limited |
| Cost | Higher | Lower |
For critical components like logic boards, original parts are usually recommended.
Step-by-Step: Replacing Common Genie Parts
Example: Replacing a Capacitor
- Disconnect power
- Remove opener cover
- Discharge old capacitor
- Match microfarad rating
- Install new capacitor
- Restore power and test
⏱ Average repair time: 20–30 minutes
Maintenance Tips to Protect Your Genie Parts
Preventive Care Checklist
- Lubricate moving parts every 6 months
- Keep door balanced
- Clean safety sensors monthly
- Tighten mounting hardware annually
📊 Maintenance Insight:
Well-maintained openers experience 35–40% fewer part failures.
When a Part Replacement Is Not Enough
Sometimes replacement is not the best option.
Consider Full Replacement If
- Opener exceeds 15 years
- Multiple major components fail
- Safety features are outdated
- Repair costs exceed 50% of new unit price
Garage Door Opener Technology Overview
Modern garage door openers combine mechanical, electrical, and safety systems to ensure smooth operation and user protection. For general technical background on garage door opener components and how they evolved, Wikipedia.org provides a helpful overview.
Cost Breakdown of Common Genie 1/2 HP Parts
| Part | Average Cost |
|---|---|
| Capacitor | $10–$35 |
| Gear Kit | $25–$60 |
| Logic Board | $80–$150 |
| Sensors | $20–$50 |
| Remote | $15–$40 |
Replacing parts early often prevents costly secondary damage.
DIY vs Professional Repair
DIY Is Suitable When
- You have basic tools
- The repair is mechanical
- Instructions are clear
Hire a Professional When
- Electrical components fail
- Safety systems malfunction
- Door balance issues exist
Safety should always come first.
FAQ: Genie 1/2 HP Garage Door Opener Parts
What are the most commonly replaced Genie parts?
Capacitors, gears, remotes, and safety sensors.
How do I find my Genie model number?
On the motor housing or owner’s manual.
Can aftermarket parts damage my opener?
Yes, if specifications don’t match.
How long do Genie opener parts last?
Most last 7–12 years with proper maintenance.
Is it worth repairing an older Genie opener?
Yes, if it’s under 12 years old and structurally sound.
Conclusion
Replacing Genie 1/2 HP garage door opener parts is often the smartest and most cost-effective way to restore reliable performance. By understanding each component and addressing problems early, you can extend the life of your opener and avoid unnecessary replacements.
If this guide helped you diagnose or repair your garage door opener, share it on social media so other homeowners can save time, money, and frustration.

